安装与接线


接线图

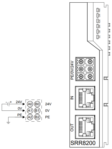
*24V内部导通,0V内部导通
使用24VDC电源模块,参照接线方法,根据下图所示电路,将电源接好,同时将PE可靠接地(电源线推荐选用双绞线)。


总线接线

 

引脚号 信号
1 TD+
2 TD-
3 RD+
4
5
6 RD-
7
8

推荐使用类别5或更高等级的双屏蔽(编织网+铝箔)STP电缆作为通讯电缆。
设备之间线缆的长度不能超过100m。